16 年
手机商铺
公司新闻/正文
939 人阅读发布时间:2020-09-27 15:57
在研究机构、大学以及微生物、制药、食品和化学实验室、医院中心灭菌服务部,医疗诊所,手术室等有生物安全要求的场所中,会根据不同需要配备小型或者大型的高压蒸汽灭菌器,对器皿,材料和介质进行适当的灭菌处理。2020年新冠肺炎蔓延,感染率高,传播速度快,为了防止交叉感染和气溶胶的散播,为医护人员提供最佳的安全防护,高压灭菌器功不可没。
高压蒸汽灭菌器如果使用不当,会遇到另人头疼的问题——结垢。因为结垢,后续会让麻烦多多,不仅缩短灭菌锅的使用寿命,影响灭菌效果, 还会带来安全方面的隐患。
1. 水垢沉积在内壁,阻碍受热面传热,耗能增加
2. 弥散颗粒物给设备内壁造成划痕,破坏表面镀膜,严重锈蚀不锈钢表面
3. 颗粒进入管道会造成管路堵塞
4. 水垢沉积在蒸汽、温度传感器等仪表表面,使仪表工作失常
对于大型灭菌器来说,结垢带来的后果尤为严重。因为水垢的导热性比灭菌器的钢板小数十倍到数百倍,结垢后影响热传递,容易造成局部金属壁温度聚增,内壁变形,甚至引起事故,影响安全运行,带来生命和财产的损失。

灭菌器结垢主要是在高温条件下,水中钙镁等金属离子形成难溶解的碳酸盐或其他沉淀物引起的。
所以水的硬度是一大“元凶”!

因此,为了避免水垢对灭菌器的影响,灭菌锅使用的水应达到一定的标准。
既然结垢与水的硬度有关,那是否使用软化装置处理过的软水便可以作为灭菌器供水呢?
其实不然。软化装置可去除水中的钙、镁离子,但是对金属离子的去除效果很难保证,而且不能有效去除水中的硅。另外,对水质的参数不能实时监测,无法保证灭菌锅水质达标。
也有用户使用蒸馏水,并在灭菌器内部循环,这种做法并不可取。 因为循环造成水质持续下降,机器产生故障率极高,而且蒸馏水器费水费电,水质稳定性差,安全性能低,容易造成安全事故。
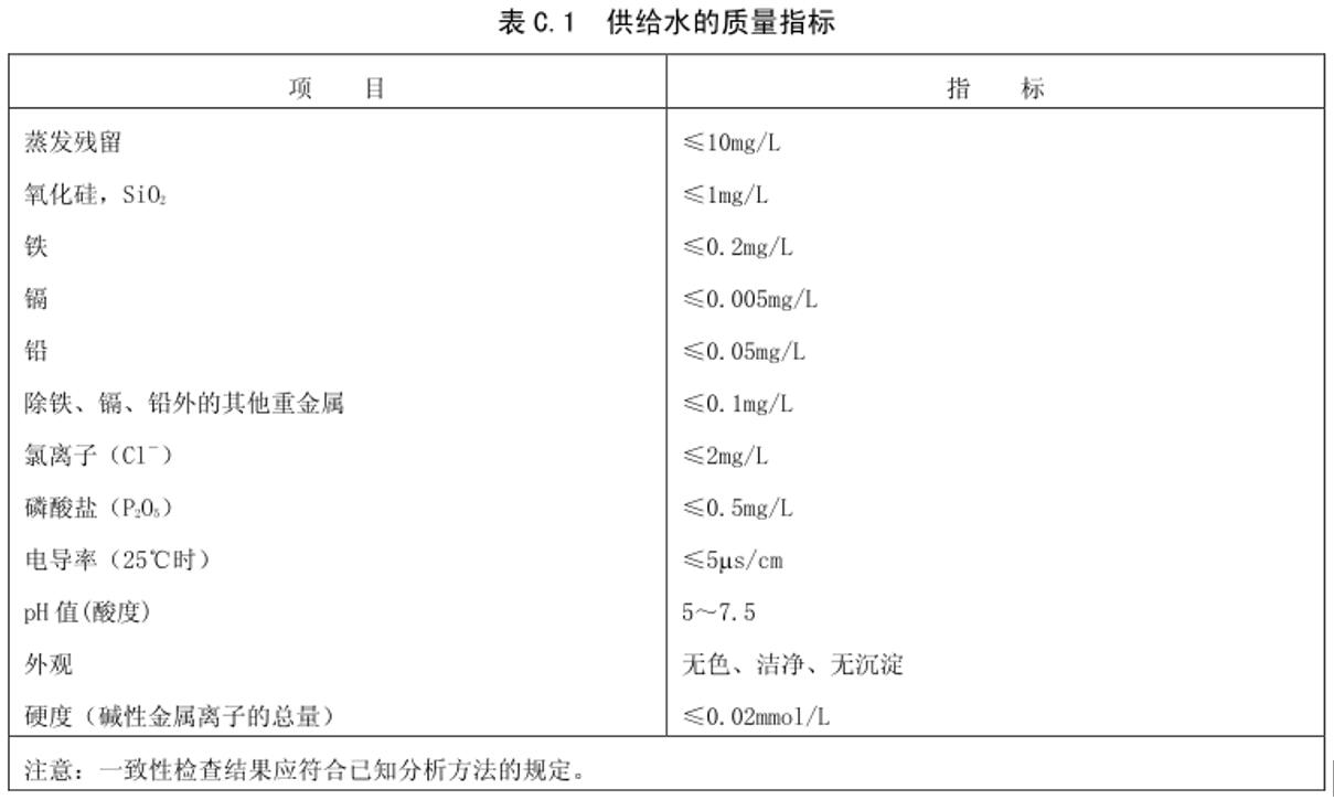
除了硬度要求,灭菌器的进水还对其他指标有较高的要求,比如水中铁,pH值、镉、铅等重金属杂质。国标《GB 8599-2008大型蒸汽灭菌器技术要求自动控制型》对灭菌器的进水指标做出了规定。要求进水电导率不超过5 μS/cm,二氧化硅含量不超过1㎎/L,硬度要求不超过0.02 mol/L,还对铁、镉、铅、氯离子、磷酸盐、pH、重金属离子等做出了详细的规定(如下图所示)。
配备一套纯水设备,持续不断地供应符合标准的纯水才是理想选择。
通常,RO纯水基本可以满足灭菌器的用水要求。乐枫RO纯水设备Genie R采用离子截留率超过95%的RO膜,高效去除多种金属离子及颗粒物,配备管路水质监控,多屏显示数据,可为容易清洗维护的小型灭菌器的配套使用。
但RO纯水设备受限于进水条件,水质不稳定。相比于小型灭菌设备,大型灭菌器清洗维护难度大,维护成本高,对于进水的要求更为苛刻,为了降低安全隐患,大型灭菌器以及对安全程度要求高的设备还是应该选用水质稳定EDI纯水设备。

相比于RO纯化技术,EDI纯化有着更多的优势:
1. 带EDI模块的纯水设备,将RO纯化技术作为第一道屏障,并融入了电渗析技术和离子交换技术,技术配置更先进。产水可稳定达到二级纯水标准。
2. EDI 模块中,在电场作用下,离子定向迁移,通过选择性半透膜后被去除。所以,EDI对水中离子的去除更彻底,也能去除不易被树脂吸附的弱电离的物质(二氧化硅、硼等)和分子量小的低价金属离子。
3. EDI纯化机理决定了其产水完全不受进水水质的影响,且产水水质稳定。
4. 离子交换树脂在电流作用下不停交换,连续再生,无需化学处理,绿色环保。
5. EDI水机还具有省水省电、维护简单,使用寿命长等特点。
大型灭菌器,为了保证其工作性能和使用寿命,还是应该选择在技术上比RO设备更有优势的EDI纯水仪。
乐枫Genie E台式纯水仪,或者大流量Super-Genie E 纯水系统(日产水量高达12000 L),产水电阻率大于5兆欧,典型值可达10-15兆欧,可以帮助使用者提高安全系数,从总体运营上节省资金,降低清洗维护的资金成本和人工成本。
值得一说的是大流量的Super-Genie E,可以给整个实验室或多楼层供应EDI纯水,配有全管路水质监控,水质安全可靠;同时结构集成度高,占地面积小,安装灵活便捷。
关于乐枫生物
乐枫生物(Rephile Bioscience,Ltd.) 是一家专业从事高端水纯化和实验室分离纯化产品研发、设计和制造的企业,为高科技生物技术和生命科学领域的用户服务。乐枫公司着眼于全球发展,在中国、美国、法国、印度、南非等近20个国家建立了销售机构,同时也为国际大型公司提供OEM和ODM,产品销往包括欧美的近100个国家,多所美国常春藤大学、哈佛医学院丹娜法伯癌症研究院和约翰霍普金斯大学医学院都是乐枫纯水设备的用户。2020年,乐枫产品获选进入华大基因火眼实验室,为全球疫情防控提供支持。成立十余年,乐枫持续投入研发,创立出了自己的产品品牌RephiLe(瑞枫),推出了多个新概念产品 - 无线连接的Genie系列纯水系统和智能型大流量纯水工作站Super-Genie等。目前乐枫提供包括低镁型,低硼型,ICP-MS专用型等适用于各种应用的全范围超纯化柱系列,也提供多款密理博纯水系统的兼容耗材,让国产的品牌为用户提供可与进口产品媲美的服务。
关注RephiLe 企业微信:乐枫纯水,关注乐枫动态!
